Arctic Cat 454 Wiring Diagram

View Arctic Cat 454 Wiring Diagram Background. 1996 arctic cat bearcat 454 wiring diagram. Arctic cat atv brand history.

Caterpillar Starter Wiring Diagram | Free Wiring Diagram
Caterpillar Starter Wiring Diagram | Free Wiring Diagram from ricardolevinsmorales.com
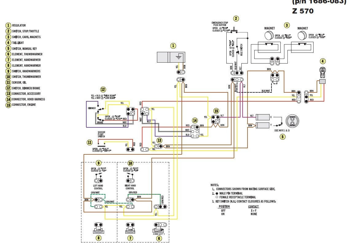
Ext 580, ext 600, z 440, prowler, zr580, powder special, powder extreme, panther 550. All of the manual listed below are full factory service manuals with hundreds of pages containing step by step instructions, full wiring diagrams and detailed illustrations on how to repair. Caterpillar shematics electrical wiring diagram pdf free download.

Arctic cat 454 carburetor diagram.

Arctic cat repair manuals cover every aspect of maintenance and repair. Snowmobiles arctic cat atvs service repair manuals pdf 2004 arctic cat 650 service manual 25 download. Probably time to change all of them any way. Ext 580, ext 600, z 440, prowler, zr580, powder special, powder extreme, panther 550.


0 Response to "Arctic Cat 454 Wiring Diagram"

Post a Comment

Iklan Atas Artikel

Iklan Tengah Artikel 1

Iklan Tengah Artikel 2

Iklan Bawah Artikel