Asus X453Sa Schematic Diagram

Download Asus X453Sa Schematic Diagram Pictures. Service manuals, schematics, eproms for electrical technicians. Free laptop bios and schematic diagram download.

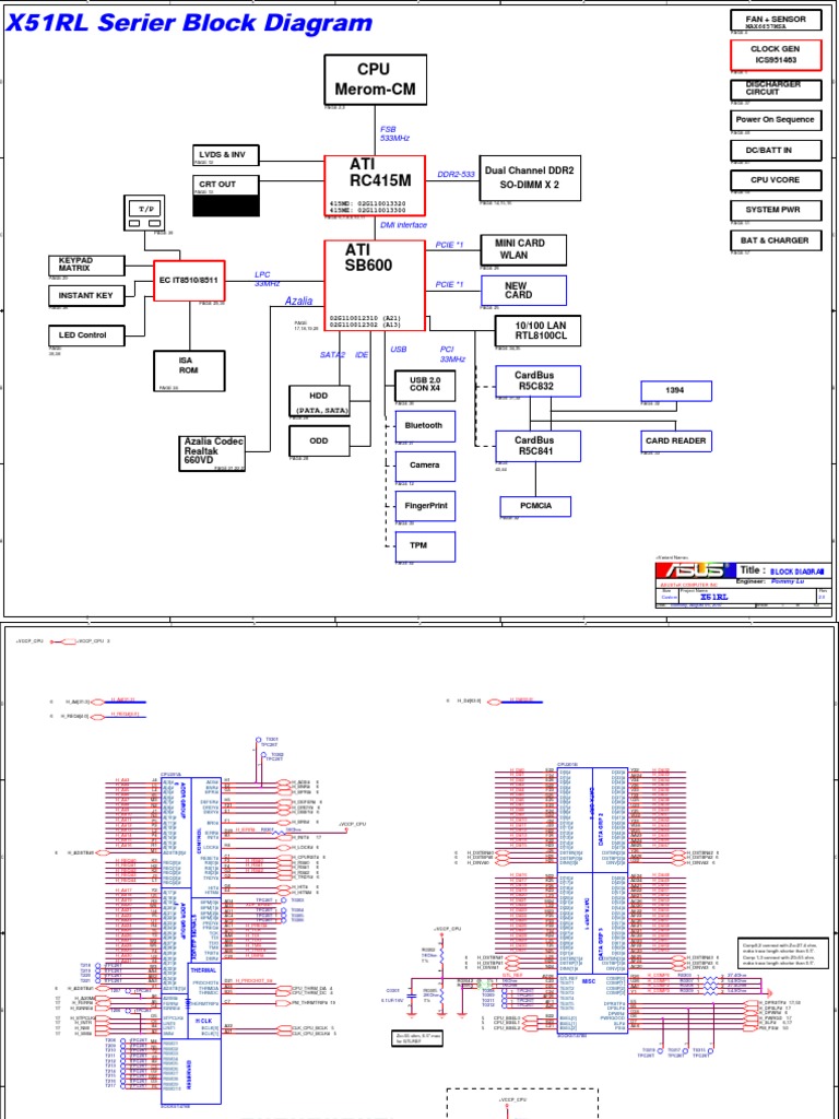
ASUS X51RL Rev.2.00 Schematic Diagram | Computer Hardware ...
ASUS X51RL Rev.2.00 Schematic Diagram | Computer Hardware ... from imgv2-1-f.scribdassets.com
You just have to choose a file that you want to get downloaded in so if you have found your required asus laptop model schematics diagram then click on the download button that is available for every file. Schematic inverter backlicght led tv ic sn51dp 8 pin / 10 pin #datasheet #schema #diagram #pdf. Bios laptop asus x453sa (found:

The schematic is not avaible , i m also looking for it.

You are using an out of date browser. Schematic inverter backlicght led tv ic sn51dp 8 pin / 10 pin #datasheet #schema #diagram #pdf. Bios laptop asus x453sa (found: Asus uses cookies and similar technologies to perform essential online functions, analyze online activities, provide advertising services and other functions.


0 Response to "Asus X453Sa Schematic Diagram"

Post a Comment

Iklan Atas Artikel

Iklan Tengah Artikel 1

Iklan Tengah Artikel 2

Iklan Bawah Artikel