Audi 80 B3 Wiring Diagram

39+ Audi 80 B3 Wiring Diagram PNG. Audi 80 workshop manual free download. Page 4 © 2005 mitchell repair information company, llc.

service owner manual : December 2012
service owner manual : December 2012 from 1.bp.blogspot.com
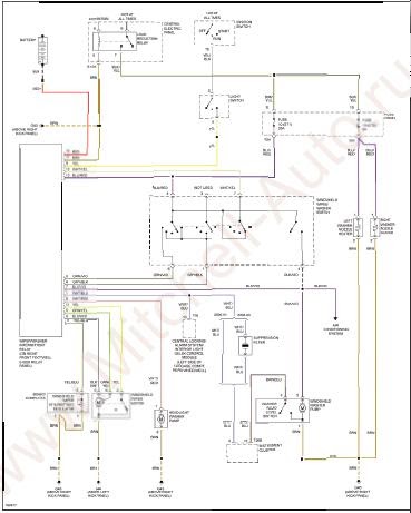
Audi 80 electrical wiring diagram.pdf. Diagram of the location of the connectors and their contacts in the mounting block (on the electrical equipment diagram, the connection of the wire, for example to terminal 75al of connector j, is indicated by j. Kbfig0926/05/04wiring diagrams61 kbfig0826/05/04wiring diagrams53 kbfig0726/05/04wiring diagrams42 kbsee all 28 rows on wwwviceinfopeople also askwhat platform is audi 80?what platform is audi 80?naming convention.

Page 4 © 2005 mitchell repair information company, llc.

Audi 80 schematic wiring diagram. Schrottplatzfund audi 80 b3 1,9e instandsetzung #5 abschliessende arbeiten und bremse entlüften. Audi 80 workshop manual free download. Diagram of the location of the connectors and their contacts in the mounting block (on the electrical equipment diagram, the connection of the wire, for example to terminal 75al of connector j, is indicated by j.


0 Response to "Audi 80 B3 Wiring Diagram"

Post a Comment

Iklan Atas Artikel

Iklan Tengah Artikel 1

Iklan Tengah Artikel 2

Iklan Bawah Artikel