Audi 4000 Wiring Diagram Pdf

Get Audi 4000 Wiring Diagram Pdf Background. Audi a6 2000 wiring diagrams sch. I have a 1987 audi 4000 with burnt up wires going to the left rear taillight.

AUDI 80 WIRING DIAGRAM 1992 Service Manual download ...
AUDI 80 WIRING DIAGRAM 1992 Service Manual download ... from elektrotanya.com
On the site carmanualshub.com you can find, read and free download the necessary pdf automotive repair manuals of any car. Free repair manuals & wiring diagrams. Bmw 3 series 318i 325 325e 325es 325i 325is 325i convertibile.

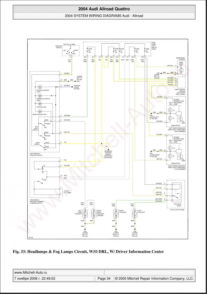
Electrical system functional diagram control unit for vehicle electrical system j519 lowline version components pump for headlight washer conditioning system light switch servo.

Audi a4 service repair manuals pdf. Freightliner electrical wiring diagrams and schematic diagrams. In addition, some files are archived, so you need winzip or winrar to open that files. Mercedes car radio stereo audio wiring diagram autoradio mercedes:


0 Response to "Audi 4000 Wiring Diagram Pdf"

Post a Comment

Iklan Atas Artikel

Iklan Tengah Artikel 1

Iklan Tengah Artikel 2

Iklan Bawah Artikel