Audi 1996 A4 System Wiring Electrical Diagrams Manual

Get Audi 1996 A4 System Wiring Electrical Diagrams Manual Gif. Audi a4 avant wiring diagrams. Audi a4 current flow diagram no.

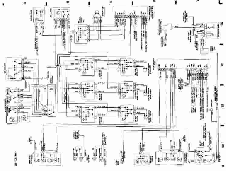
Audi A6 2001 Wiring Diagram
Audi A6 2001 Wiring Diagram from wimanual.com
Each audi repair manual contains the detailed description of works and wiring diagrams. Audi a4 service repair manuals & workshop manuals, parts catalog, wiring diagrams free download pdf. Audi a8 2003 electrical system workshop manual (edition 08.2014).

Audi a4 avant wiring diagrams.

4) audi first in the world guessed to make an excursion to its own plant in the computer world. Each audi repair manual contains the detailed description of works and wiring diagrams. The new audi a4, a vehicle which combines driving pleasure and good sense with the highest level of quality and sports styling. This video demonstrates the audi a4 complete wiring diagrams and details of the wiring harness.


0 Response to "Audi 1996 A4 System Wiring Electrical Diagrams Manual"

Post a Comment

Iklan Atas Artikel

Iklan Tengah Artikel 1

Iklan Tengah Artikel 2

Iklan Bawah Artikel